PWR-CTRL02 is a Power Converter Board designed to convert 12V Input to Multiple 3.3V & 5V & 12V Outputs.
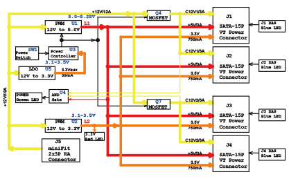
PWR-CTRL02 Power Controller Board converts a single
12V input into four sets of outputs (3.3V & 5V & 12V).
There are one Power Control Button and two Power Indicator
LEDs on the board.
The Power Control Button can turn ON/OFF the four sets of
outputs.
The 3.3V LED indicates the 3.3V outputs are ON and the
PWR LED indicates the 5V & 12V outputs are ON.
It also provides a DAS LED (Activity Signal from the Drive)
on each of the four SATA power connectors (pin11).
- Power Control for Suppling (ON/OFF)12V&5V&/3V3
- PCIe Graphics Card 6pin (2x3) Power Connector
- Four SATA 15pin Male Power Connectors
- 12V&5V&3V3 Power Output
- DAS (Activity Signal from the Drive) Input
- LEDs
- Four Disk Activity LEDs
- 3.3Vaux LED and 12V&5V LED
- Dimensions: 113.5 x 60mm

Application

|